模组资料
https://docs.ai-thinker.com/ai-wv02/
BL618+VB6824,板载天线
功能与AiPi-PalChatV2一致

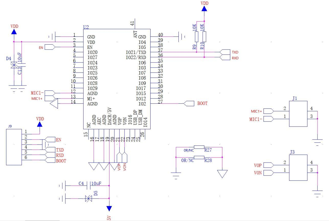
应用指导电路

接线
焊盘间距为1.27mm,可以用1.25mm端子


| 串口工具 |
Ai-WV02-32S |
| 5V |
DACR/5V |
| 3.3V |
VDD |
| GND |
GND |
| TXD |
RXD |
| RXD |
TXD |
麦克风接M1+,AGND,功放接VOP,VON
启动日志
商用版,带license

配网
简要过程

进入设备详情,智能体,可以修改一些设置

设备详情里面有个声纹识别,不知道怎么用